Tekanan balik
Kurang dari 1000 kPa (10 kg/cm2, 142 psi)
Tekanan relief
6,20 – 6,89 kPa (62 – 69 kg/cm2, 882 – 982 psi)
Flow Control Valve
Dengan berkurangnya peningkatan putaran pompa P/S flow control valve mengontrol jumlah optimal minyak untuk kerja steering berdasarkan putaran mesin (kondisi pengendaraan).
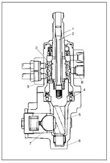
Konstruksi Steering Gear Box
Steering gear box terdiri dari dua bagian, cylinder dan valve. Komponen utama cylinder adalah gear box (6) dan rack (7). Komponen utama valve adalah valve case (9), sleeve (3) dan stub shaft (1). Sleeve terhubung dengan pinion (5) melalui pin, valve dan stub shaft adalah satu kesatuan unit. Kemudian pinion dan stub shaft terhubung satu sama lain oleh torsion bar (2). Ketika stub shaft bergerak posisi valve akan berubah, dan minyak P/S akan mengalir dari pompa P/S ke cylinder untuk membantu memutar steer. Ketika setir terasa berat karena adanya kebocoran minyak P/S atau sebab kerusakan lain (kembali pada sistim setir manual), stub shaft dan pinion terhubung secara langsung diteruskan ke pinion dan rack. Bearing (4), ferrule (8).
Cara Kerja
Ø Ketika posisi setir lurus
Saat setir tidak diputar, valve tertahan oleh torsion bar pada posisi netral, sehingga minyak P/S dari pump mengalir melalui valve kembali ke tangki.
Ø Ketika setir diputar ke kanan
Memutar setir searah jarum jam, akan menyebabkan stub hub berputar searah jarum jam dan mengungkit (memuntir) torsion bar. Kemudian valve akan terbuka sehingga minyak P/S akan mengalir ke cylinder yang kemudian mendorong rack. Dengan bergeraknya rack, pinion berputar searah jarum jam (putaran setir) untuk menggerakkan torsion bar yang kemudian menyebabkan valve kembali ke sistim P/S.



Comments
Post a Comment